Интернет-магазин представительского класса
Каталог
Трубы ПНД
Трубы ПНД для воды
Трубы ПНД ПЭ 100 ГОСТ 18599
Трубы ПЭ100+ (плюс) / ПЭ100+RC
Трубы тип Протект (PS)
Трубы тип Мультипайп
Обсадные трубы
Трубы ПНД для кабеля
Трубы ПНД красные для кабелей
Трубы ПНД термостойкие для кабелей
Трубы ПНД для электрического кабеля негорючие
Трубы ПНД для кабелей термостойкие и негорючие
Трубы гофрированные ПНД
Трубы ПНД технические
Трубы ПНД для газа
Чугунные трубы ВЧШГ и фитинги
Трубы ВЧШГ
Трубы ВЧШГ чугунные Tyton
Трубы ВЧШГ чугунные RJ
Трубы ВЧШГ чугунные RJS
Манжеты резиновые
Фитинги ВЧШГ
Двойные раструбы чугунные ДР
Колена чугунные ВЧШГ
Кресты чугунные ВЧШГ
Отводы чугунные ВЧШГ
Патрубки чугунные ВЧШГ
Переходы чугунные ВЧШГ
Подставки чугунные под пожарные гидранты ВЧШГ
Тройники чугунные ВЧШГ
Трубы канализационные
Гофрированные трубы для канализации
Трубы Прагма (Pragma)
Трубы Корсис
Трубы Икапласт
Трубы Magnum (Магнум)
Трубы Polytron ProKan (Политрон Прокан)
Трубы Corex (Корекс)
Трубы FD-Plast (ФД-Пласт)
Трубы Hydro (Гидро)
Трубы Ecopal (Экопал)
Трубы Корпласт
Трубы спиральновитые СВТ
Трубы ПВХ
Фитинги ПВХ
Фитинги ПНД
Электросварные фитинги ПНД
Муфты ПНД электросварные
Отводы электросварные ПНД
Тройники электросварные ПНД
Заглушки электросварные ПНД
Переходы латунные ПНД
Переходы электросварные ПНД
Седелочные отводы электросварные ПНД
Краны электросварные ПНД
Арматура для врезки
Литые фитинги ПНД
Втулки под фланец удлиненные
Тройники литые равнопроходные ПНД
Втулки под фланец короткие
Заглушки литые пнд
Отводы литые
Переходы пнд короткие
Переходы пнд удлиненные литые
Тройники редукционные литые
Сварные фитинги ПНД
Отводы сварные
Крестовины сварные равнопроходные
Заглушки сварные
Тройники пнд сварные
Компрессионные фитинги
Заглушки компрессионные
Краны шаровые компрессионные для водопровода
Муфты соединительные компрессионные
Отводы 90° компрессионные
Седелки компрессионные
Тройники компрессионные
Фланцевые соединения компрессионные
Ключи для компрессионных фитингов
Муфты защитные для прохода ж/б колодца
Фланцы стальные
Заглушки фланцевые (фланец глухой)
Фланцы под втулку
Фланцы приварные
Фланцы воротниковые
НСПС
Трубопроводная арматура
Запорная арматура
Задвижки чугунные клиновые
Шиберные задвижки
Дисковые затворы поворотные
Краны шаровые фланцевые
Краны полиэтиленовые для газопровода
Вентили
Клапаны запорные
Группы безопасности
Штоки для запорной арматуры
Фильтры
Вантузы воздушные
Ремонтно-соединительная арматура
Муфты ПФРК
Муфты ДРК
Демонтажные вставки
Фланцы расточенные
Муфты ремонтные
Седелки
Хомуты врезные
Хомутовые отводы
Седловые отводы
Седелки чугунные и хомутовые отводы
Муфты обжимные соединительные ДРК
Муфты соединительные ПФРК
Обжимные фланцы ПФРК и фланцевые адаптеры
Компенсаторы резиновые (вибровставки)
Ремонтные уплотнители РУРС
Крепеж для трубопроводов
Болты стальные
Гайки
Прокладки резиновые
Уголки стальные нержавеющие
Хомуты с резиновой прокладкой
Шайбы плоские стальные
Шпильки стальные оцинкованные
Опоры для трубопроводов
Кольца диэлектрические Спейсер
Опорно-направляющие кольца ОНК
Пожарные гидранты
Гидранты ВЧШГ ПАО "ТяжПрессмаш"
Гидранты стальные
Гидранты чугунные
VGA
VAG
JAFAR
AVK
HAWLE
СпецСнаб
Электроприводы для запорной арматуры
Электроприводы ГЗ
Электроприводы AUMA
Водомерные узлы
Водомерные вставки
Водомерные узлы из ВЧШГ
Водомерные узлы по альбому ЦИРВ 02А.00.00.00
Трубы дренажные
Трубы дренажные без фильтра в бухте
Трубы дренажные в фильтре из геотекстиля
Трубы Перфокор
Сварочное оборудование
Аппараты для сварки пнд труб
Стыковые аппараты с механическим приводом
Стыковые аппараты с гидравлическим приводом
Электромуфтовые сварочные аппараты
Аппараты для изготовления фитингов
Роликовые опоры для труб
Дополнительное оборудование для сварочных аппаратов
Запчасти и расходники
Трубы в изоляции
Трубы ППУ
Трубы ППУ ПЭ
Трубы ППУ ОЦ
Комплекты для изоляции стыка трубы ППУ ПЭ
Комплекты для изоляции стыка трубы ППУ ОЦ
Фитинги ППУ
Фитинги ППУ ПЭ
Манжеты стенового ввода
Отводы стальные для труб ППУ ОЦ
Скользящие опоры ППУ
Скорлупа ППУ
Трубы ВУС
Трубы ВУС двухслойные
Трубы ВУС трехслойные
Трубы полипропиленовые
Трубы полипропиленовые PPR
Трубы полипропиленовые PPR PN10
Трубы полипропиленовые PPR PN20
Трубы полипропиленовые армированные стекловолокном PPR PN20
Трубы полипропиленовые армированные стекловолокном PPR PN25
Фитинги полипропиленовые
Муфты полипропиленовые PPR
Тройники полипропиленовые PPR
Угольники полипропиленовые PPR
Краны полипропиленовые PPR
Фильтры полипропиленовые PPR
Заглушки полипропиленовые PPR
Скобы полипропиленовые PPR
Компенсаторы полипропиленовые PPR
Опоры полипропиленовые PPR
Переходники полипропиленовые PPR
Разборные соединения полипропиленовые PPR
Коллекторы полипропиленовые PPR
Втулки (бурт) фланца полипропиленовые PPR
Трубы стальные
Трубы ВГП
Трубы ВГП оцинкованные
Трубы электросварные
Трубы электросварные оцинкованные
Трубы бесшовные
Фитинги для стальных труб
Бочата сантехнические
Заглушки эллиптические стальные
Отводы стальные
Переходы стальные
Резьбы стальные
Сгоны стальные
Тройники стальные
Пластиковые полимерные колодцы
Типовые пластиковые колодцы
Типовые канализационные колодцы
Типовые водопроводные колодцы
Типовые кабельные колодцы
Крышки пластикового люка
Люки колодца пластиковые канализационные
Листы пнд
Очистные сооружения ЛОС, КНС
Канализационные насосные станции​
Локальные очистные сооружения​
ЖБИ изделия
Бетонные кольца
Колодцы унифицированные
Днища колодцев
Крышки колодцев железобетонные
Кабельные колодцы
Лестницы и скобы
Трубы асбестоцементные
Трубы асбестоцементные безнапорные
Трубы асбестоцементные напорные
Трубы железобетонные
Трубы безнапорные раструбные
Трубы коллектора ТПФ
Трубы фальцевые
Люки канализационные
Дождеприемники
Комплектующие для чугунных люков
Люки канализационные полимерные
Люки чугунные
Опорные плиты разгрузочные
Стремянки водопроводных колодцев
Бордюрный камень
Железобетонные коллекторы
Балки камер
Днища коллекторов
Доборные балки
Коллекторные балки
Опорные подушки
Плиты перекрытий коллекторов
Стеновые блоки коллекторных панелей
Стеновые блоки коллекторов
Тепловые камеры
Элементы коллекторов
Лотки железобетонные
Автодорожные лотки
Водоотводные лотки
Дождевые лотки
Дренажные лотки
Лотки теплотрасс
Непроходные каналы
Плиты перекрытия теплотрасс
ЖБИ колодцы
Кольца доборные
Колодезные кольца
Колодезные кольца с четвертью
Опорные кольца
Сегменты и вставки
Адаптационные кольца к ОУЭ-600
Опорные плиты
Крышки колодцев
Крышки колодцев с четвертью
Кольца колодезные с крышкой
Кольца колодезные с днищем
Кольца колодезные с днищем с четвертью
Днища колодцев
Колодцы сборные унифицированные
Колодцы кабельной связи ККС
Комплектующие для колодцев связи
Люки, решетки, лестницы
Легкие чугунные люки
Средние чугунные люки
Люки чугунные тип Т
Люки чугунные тип ТМР
Магистральные чугунные люки ТМ
Опорно-Укрывные элементы
Квадратные люки
Аэродромные люки
Телефонные чугунные люки
Полимерно-композитные люки
Крышки чугунные для люков
Корпуса чугунные для люков
Дождеприемники
Запорные крышки
Лестницы для колодцев
Скобы для колодцев
Люки железобетонные
Уплотнитель для люков
Решетки сливные
Ковер газовый
Коллекторы
Плиты покрытия коллекторов КП, ДПО
Плиты перекрытия камер ВП
Плиты полнотелые канальные
Доборные балки
Коллекторные балки
Стеновые блоки и панели коллекторов
Днища коллекторов
Коллекторы для труб РК
Непроходные каналы
Колонны и фундамент стаканного типа
Элементы теплотрасс
Лотки и покрытия теплотрасс
Лотки ЛК и плиты перекрытия ПТ
Лотки кабельные УБК
Плиты перекрытия камер каналов ПТО ПТУ
Плиты теплотрасс с отверстиями
Балки узлов трасс каналов
Плиты днища каналов ПД ПДУ
Опорные подушки теплотрасс
Подкладные плиты
Тепловые камеры
Трубы, звенья, порталы, откосы
Трубы безнапорные раструбные
Трубы напорные раструбные
Трубы фальцевые
Трубы микротонельные
Трубы коллектора ТПФэ
Асбестоцементные трубы, муфты, заглушки
Звенья круглые
Звенья круглые с плоским опиранием
Звенья прямоугольные
Лекальные блоки под трубы
Портальные стенки
Откосные стенки
Плиты фундаментные под трубы
Дорожные плиты, водоотводные лотки
Дорожные плиты
Аэродромные плиты
Плиты укреплений
Дренажные лотки
Лотки водосточные Super с решеткой
Лотки автодорожные
Лотки водоотводные
Лотки дождевые
Плиты перекрытия
Плиты пустотные ПК
Плиты пустотные ПБ
Плиты облегченные ПБ
Плиты облегченные ПНО
Плиты ребристые ПРТм
Доборы настилов
Полнотелые доборные плиты
Перемычки, ригели, прогоны
Перемычки брусковые
Перемычки плоские
Ригели железобетонные
Прогоны железобетонные
Лестничные марши, ступени, площадки
Лестничные марши
Лестничные марши с площадками
Лестничные площадки
Ступени для лестниц бетонные
Фундамент, сваи, стеновые блоки
Фундаментные блоки ФБС
Ленточный фундамент ФЛ
Балки фундамента ФБ
Сваи железобетонные
Блоки для ручной кладки
Щелевые блоки
Пенобетонные блоки
Газобетонные блоки
Пазогребневые перегородки
Лист асбестоцементный
АЦЭИД 400
Цементно-стружечная плита
Благоустройство
Брусчатка тротуарная
Квадратная тротуарная плитка
Фигурная тротуарная плитка
Газонная решетка
Плитка с тактильным покрытием
Бордюр дорожный
Бордюр садовый
Цветочницы бетонные
Урны бетонные
Урны металлические
Скамейки бетонные
Скамейки металлические
Вазы бетонные
Архитектурный бетон
Заборы, ограждения, столбы
Элементы бетонного забора
Столбы ограждения бетонные
Декоративные столбики
Парковочные столбики
Гибкие парковочные столбики
Бетонное основание
Полусферы бетонные
Полусферы гранитные
Сферы бетонные
Стойки опор ЛЭП
Приставки ПТ
Заборы из профиля
Газонные ограждения
Ограждение пешеходное
Столбики для забора Серия 3-017.3 вып.1
Насосы
Циркуляционные
С мокрым ротором
С сухим ротором
Многоступенчатые
Горизонтальные
Погружные
Скважинные
Поверхностные
Насосные станции
Фекальные
Дренажные
Комплектующие для насосов
Пожарное оборудование
Огнетушители
Порошковые (ОП)
Углекислотные (ОУ)
Воздушно-пенные (ОВП)
Воздушно-эмульсионные (ОВЭ)
Порошковые специальные (ОПС)
Самосрабатывающие
Шкафы пожарные
Рукава пожарные
Стволы пожарные
Головки пожарные
Краны пожарные
Муфты противопожарные
Подставки под огнетушители
Узлы управления
Мотопомпы
Подставки под гидранты
Акции
Услуги
Блог
Бренды
Как купить
Условия оплаты
Условия доставки
Гарантия на товар
Вопросы и ответы
Компания
О компании
Отзывы
Контакты
Вакансии
Новости
Реквизиты
Наш офис
Сертификаты
Галерея
Контакты
+7(495) 231-40-40
Заказать звонок
Задать вопрос
Войти
  • Корзина0
  • Избранные товары0
  • Сравнение товаров0
zakaz@hotoks-pkf.ru
Сергиево-Посадский г. о., г. Хотьково, ул. Заводская, д. 3, стр. 1, офис 39
  • Вконтакте
  • WhatsApp
  • Яндекс.Дзен
+7(495) 231-40-40
Заказать звонок zakaz@hotoks-pkf.ru
Сергиево-Посадский г. о., г. Хотьково, ул. Заводская, д. 3, стр. 1, офис 39
О компании
  • О компании
  • Отзывы
  • Контакты
  • Вакансии
  • Новости
  • Реквизиты
  • Наш офис
  • Сертификаты
Оплата
Доставка
Объекты
  • Наши объекты
    • Парк Покровское-Стрешнево
    • Софрино парк
    • Серволюкс Агро
    • ЖК Зиларт
    • Завод САЗИ
    • ЖК Светлый мир Биополис
    • Сидней сити
    • ЖК Некрасовка
    • ЖК Новочеремушскинская 17
    • ЖК Ever
    • ЖК Символ
    • Квартал на набережной Now
    • Павелецкая Сити
    • ЖК Причальный
    • ЖК Савинская 27
    • ЖК Южнопортовая
    • ЖК Мичуринский
    • ЖК Савинская 17
    • ЖК Бауманская
    • ЖК Нижегородская
    • ЖК Нагатинская
Склад
Контакты
+  ЕЩЕ
    Войти
    Каталог
    Трубы ПНД
    Чугунные трубы ВЧШГ и фитинги
    Трубы канализационные
    Фитинги ПНД
    Трубопроводная арматура
    Трубы дренажные
    Сварочное оборудование
    Трубы в изоляции
    Трубы полипропиленовые
    Трубы стальные
    Пластиковые полимерные колодцы
    Очистные сооружения ЛОС, КНС
    ЖБИ изделия
    Насосы
    Пожарное оборудование
      • Трубы ПНД для воды
        Трубы ПНД для воды
        • Трубы ПНД ПЭ 100 ГОСТ 18599
        • Трубы ПЭ100+ (плюс) / ПЭ100+RC
        • Трубы тип Протект (PS)
        • Трубы тип Мультипайп
        • Обсадные трубы
      • Трубы ПНД для кабеля
        Трубы ПНД для кабеля
        • Трубы ПНД красные для кабелей
        • Трубы ПНД термостойкие для кабелей
        • Трубы ПНД для электрического кабеля негорючие
        • Трубы ПНД для кабелей термостойкие и негорючие
        • Трубы гофрированные ПНД
      • Трубы ПНД технические
        Трубы ПНД технические
      • Трубы ПНД для газа
        Трубы ПНД для газа
      • Трубы ВЧШГ
        Трубы ВЧШГ
        • Трубы ВЧШГ чугунные Tyton
        • Трубы ВЧШГ чугунные RJ
        • Трубы ВЧШГ чугунные RJS
        • Манжеты резиновые
      • Фитинги ВЧШГ
        Фитинги ВЧШГ
        • Двойные раструбы чугунные ДР
        • Колена чугунные ВЧШГ
        • Кресты чугунные ВЧШГ
        • Отводы чугунные ВЧШГ
        • Патрубки чугунные ВЧШГ
        • Переходы чугунные ВЧШГ
        • Подставки чугунные под пожарные гидранты ВЧШГ
        • Тройники чугунные ВЧШГ
      • Гофрированные трубы для канализации
        Гофрированные трубы для канализации
        • Трубы Прагма (Pragma)
        • Трубы Корсис
        • Трубы Икапласт
        • Трубы Magnum (Магнум)
        • Трубы Polytron ProKan (Политрон Прокан)
        • Трубы Corex (Корекс)
        • Трубы FD-Plast (ФД-Пласт)
        • Трубы Hydro (Гидро)
        • Трубы Ecopal (Экопал)
        • Трубы Корпласт
        • Трубы спиральновитые СВТ
        • +  ЕЩЕ 1
      • Трубы ПВХ
        Трубы ПВХ
        • Фитинги ПВХ
      • Электросварные фитинги ПНД
        Электросварные фитинги ПНД
        • Муфты ПНД электросварные
        • Отводы электросварные ПНД
        • Тройники электросварные ПНД
        • Заглушки электросварные ПНД
        • Переходы латунные ПНД
        • Переходы электросварные ПНД
        • Седелочные отводы электросварные ПНД
        • Краны электросварные ПНД
        • Арматура для врезки
      • Литые фитинги ПНД
        Литые фитинги ПНД
        • Втулки под фланец удлиненные
        • Тройники литые равнопроходные ПНД
        • Втулки под фланец короткие
        • Заглушки литые пнд
        • Отводы литые
        • Переходы пнд короткие
        • Переходы пнд удлиненные литые
        • Тройники редукционные литые
      • Сварные фитинги ПНД
        Сварные фитинги ПНД
        • Отводы сварные
        • Крестовины сварные равнопроходные
        • Заглушки сварные
        • Тройники пнд сварные
      • Компрессионные фитинги
        Компрессионные фитинги
        • Заглушки компрессионные
        • Краны шаровые компрессионные для водопровода
        • Муфты соединительные компрессионные
        • Отводы 90° компрессионные
        • Седелки компрессионные
        • Тройники компрессионные
        • Фланцевые соединения компрессионные
        • Ключи для компрессионных фитингов
      • Муфты защитные для прохода ж/б колодца
        Муфты защитные для прохода ж/б колодца
      • Фланцы стальные
        Фланцы стальные
        • Заглушки фланцевые (фланец глухой)
        • Фланцы под втулку
        • Фланцы приварные
        • Фланцы воротниковые
      • НСПС
        НСПС
      • Запорная арматура
        Запорная арматура
        • Задвижки чугунные клиновые
        • Шиберные задвижки
        • Дисковые затворы поворотные
        • Краны шаровые фланцевые
        • Краны полиэтиленовые для газопровода
        • Вентили
        • Клапаны запорные
        • Группы безопасности
        • Штоки для запорной арматуры
        • Фильтры
        • Вантузы воздушные
        • +  ЕЩЕ 1
      • Ремонтно-соединительная арматура
        Ремонтно-соединительная арматура
        • Муфты ПФРК
        • Муфты ДРК
        • Демонтажные вставки
        • Фланцы расточенные
        • Муфты ремонтные
        • Седелки
        • Хомуты врезные
        • Хомутовые отводы
        • Седловые отводы
        • Седелки чугунные и хомутовые отводы
        • Муфты обжимные соединительные ДРК
        • Муфты соединительные ПФРК
        • Обжимные фланцы ПФРК и фланцевые адаптеры
        • Компенсаторы резиновые (вибровставки)
        • Ремонтные уплотнители РУРС
        • +  ЕЩЕ 5
      • Крепеж для трубопроводов
        Крепеж для трубопроводов
        • Болты стальные
        • Гайки
        • Прокладки резиновые
        • Уголки стальные нержавеющие
        • Хомуты с резиновой прокладкой
        • Шайбы плоские стальные
        • Шпильки стальные оцинкованные
      • Опоры для трубопроводов
        Опоры для трубопроводов
        • Кольца диэлектрические Спейсер
        • Опорно-направляющие кольца ОНК
      • Пожарные гидранты
        Пожарные гидранты
        • Гидранты ВЧШГ ПАО "ТяжПрессмаш"
        • Гидранты стальные
        • Гидранты чугунные
        • VGA
        • VAG
        • JAFAR
        • AVK
        • HAWLE
        • СпецСнаб
      • Электроприводы для запорной арматуры
        Электроприводы для запорной арматуры
        • Электроприводы ГЗ
        • Электроприводы AUMA
      • Водомерные узлы
        Водомерные узлы
        • Водомерные вставки
        • Водомерные узлы из ВЧШГ
        • Водомерные узлы по альбому ЦИРВ 02А.00.00.00
      • Трубы дренажные без фильтра в бухте
        Трубы дренажные без фильтра в бухте
      • Трубы дренажные в фильтре из геотекстиля
        Трубы дренажные в фильтре из геотекстиля
      • Трубы Перфокор
        Трубы Перфокор
      • Аппараты для сварки пнд труб
        Аппараты для сварки пнд труб
        • Стыковые аппараты с механическим приводом
        • Стыковые аппараты с гидравлическим приводом
        • Электромуфтовые сварочные аппараты
        • Аппараты для изготовления фитингов
        • Роликовые опоры для труб
        • Дополнительное оборудование для сварочных аппаратов
        • Запчасти и расходники
      • Трубы ППУ
        Трубы ППУ
        • Трубы ППУ ПЭ
        • Трубы ППУ ОЦ
        • Комплекты для изоляции стыка трубы ППУ ПЭ
        • Комплекты для изоляции стыка трубы ППУ ОЦ
      • Фитинги ППУ
        Фитинги ППУ
        • Фитинги ППУ ПЭ
        • Манжеты стенового ввода
        • Отводы стальные для труб ППУ ОЦ
        • Скользящие опоры ППУ
        • Скорлупа ППУ
      • Трубы ВУС
        Трубы ВУС
        • Трубы ВУС двухслойные
        • Трубы ВУС трехслойные
      • Трубы полипропиленовые PPR
        Трубы полипропиленовые PPR
        • Трубы полипропиленовые PPR PN10
        • Трубы полипропиленовые PPR PN20
        • Трубы полипропиленовые армированные стекловолокном PPR PN20
        • Трубы полипропиленовые армированные стекловолокном PPR PN25
      • Фитинги полипропиленовые
        Фитинги полипропиленовые
        • Муфты полипропиленовые PPR
        • Тройники полипропиленовые PPR
        • Угольники полипропиленовые PPR
        • Краны полипропиленовые PPR
        • Фильтры полипропиленовые PPR
        • Заглушки полипропиленовые PPR
        • Скобы полипропиленовые PPR
        • Компенсаторы полипропиленовые PPR
        • Опоры полипропиленовые PPR
        • Переходники полипропиленовые PPR
        • Разборные соединения полипропиленовые PPR
        • Коллекторы полипропиленовые PPR
        • Втулки (бурт) фланца полипропиленовые PPR
        • +  ЕЩЕ 3
      • Трубы ВГП
        Трубы ВГП
        • Трубы ВГП оцинкованные
      • Трубы электросварные
        Трубы электросварные
        • Трубы электросварные оцинкованные
      • Трубы бесшовные
        Трубы бесшовные
      • Фитинги для стальных труб
        Фитинги для стальных труб
        • Бочата сантехнические
        • Заглушки эллиптические стальные
        • Отводы стальные
        • Переходы стальные
        • Резьбы стальные
        • Сгоны стальные
        • Тройники стальные
      • Типовые пластиковые колодцы
        Типовые пластиковые колодцы
        • Типовые канализационные колодцы
        • Типовые водопроводные колодцы
        • Типовые кабельные колодцы
      • Крышки пластикового люка
        Крышки пластикового люка
      • Люки колодца пластиковые канализационные
        Люки колодца пластиковые канализационные
      • Листы пнд
        Листы пнд
      • Канализационные насосные станции​
        Канализационные насосные станции​
      • Локальные очистные сооружения​
        Локальные очистные сооружения​
      • Бетонные кольца
        Бетонные кольца
      • Колодцы унифицированные
        Колодцы унифицированные
      • Днища колодцев
        Днища колодцев
      • Крышки колодцев железобетонные
        Крышки колодцев железобетонные
      • Кабельные колодцы
        Кабельные колодцы
      • Лестницы и скобы
        Лестницы и скобы
      • Трубы асбестоцементные
        Трубы асбестоцементные
        • Трубы асбестоцементные безнапорные
        • Трубы асбестоцементные напорные
      • Трубы железобетонные
        Трубы железобетонные
        • Трубы безнапорные раструбные
        • Трубы коллектора ТПФ
        • Трубы фальцевые
      • Люки канализационные
        Люки канализационные
        • Дождеприемники
        • Комплектующие для чугунных люков
        • Люки канализационные полимерные
        • Люки чугунные
      • Опорные плиты разгрузочные
        Опорные плиты разгрузочные
      • Стремянки водопроводных колодцев
        Стремянки водопроводных колодцев
      • Бордюрный камень
        Бордюрный камень
      • Железобетонные коллекторы
        Железобетонные коллекторы
        • Балки камер
        • Днища коллекторов
        • Доборные балки
        • Коллекторные балки
        • Опорные подушки
        • Плиты перекрытий коллекторов
        • Стеновые блоки коллекторных панелей
        • Стеновые блоки коллекторов
        • Тепловые камеры
        • Элементы коллекторов
      • Лотки железобетонные
        Лотки железобетонные
        • Автодорожные лотки
        • Водоотводные лотки
        • Дождевые лотки
        • Дренажные лотки
        • Лотки теплотрасс
        • Непроходные каналы
        • Плиты перекрытия теплотрасс
      • ЖБИ колодцы
        ЖБИ колодцы
        • Кольца доборные
        • Колодезные кольца
        • Колодезные кольца с четвертью
        • Опорные кольца
        • Сегменты и вставки
        • Адаптационные кольца к ОУЭ-600
        • Опорные плиты
        • Крышки колодцев
        • Крышки колодцев с четвертью
        • Кольца колодезные с крышкой
        • Кольца колодезные с днищем
        • Кольца колодезные с днищем с четвертью
        • Днища колодцев
        • Колодцы сборные унифицированные
        • Колодцы кабельной связи ККС
        • Комплектующие для колодцев связи
        • +  ЕЩЕ 6
      • Люки, решетки, лестницы
        Люки, решетки, лестницы
        • Легкие чугунные люки
        • Средние чугунные люки
        • Люки чугунные тип Т
        • Люки чугунные тип ТМР
        • Магистральные чугунные люки ТМ
        • Опорно-Укрывные элементы
        • Квадратные люки
        • Аэродромные люки
        • Телефонные чугунные люки
        • Полимерно-композитные люки
        • Крышки чугунные для люков
        • Корпуса чугунные для люков
        • Дождеприемники
        • Запорные крышки
        • Лестницы для колодцев
        • Скобы для колодцев
        • Люки железобетонные
        • Уплотнитель для люков
        • Решетки сливные
        • Ковер газовый
        • +  ЕЩЕ 10
      • Коллекторы
        Коллекторы
        • Плиты покрытия коллекторов КП, ДПО
        • Плиты перекрытия камер ВП
        • Плиты полнотелые канальные
        • Доборные балки
        • Коллекторные балки
        • Стеновые блоки и панели коллекторов
        • Днища коллекторов
        • Коллекторы для труб РК
        • Непроходные каналы
        • Колонны и фундамент стаканного типа
      • Элементы теплотрасс
        Элементы теплотрасс
        • Лотки и покрытия теплотрасс
        • Лотки ЛК и плиты перекрытия ПТ
        • Лотки кабельные УБК
        • Плиты перекрытия камер каналов ПТО ПТУ
        • Плиты теплотрасс с отверстиями
        • Балки узлов трасс каналов
        • Плиты днища каналов ПД ПДУ
        • Опорные подушки теплотрасс
        • Подкладные плиты
        • Тепловые камеры
      • Трубы, звенья, порталы, откосы
        Трубы, звенья, порталы, откосы
        • Трубы безнапорные раструбные
        • Трубы напорные раструбные
        • Трубы фальцевые
        • Трубы микротонельные
        • Трубы коллектора ТПФэ
        • Асбестоцементные трубы, муфты, заглушки
        • Звенья круглые
        • Звенья круглые с плоским опиранием
        • Звенья прямоугольные
        • Лекальные блоки под трубы
        • Портальные стенки
        • Откосные стенки
        • Плиты фундаментные под трубы
        • +  ЕЩЕ 3
      • Дорожные плиты, водоотводные лотки
        Дорожные плиты, водоотводные лотки
        • Дорожные плиты
        • Аэродромные плиты
        • Плиты укреплений
        • Дренажные лотки
        • Лотки водосточные Super с решеткой
        • Лотки автодорожные
        • Лотки водоотводные
        • Лотки дождевые
      • Плиты перекрытия
        Плиты перекрытия
        • Плиты пустотные ПК
        • Плиты пустотные ПБ
        • Плиты облегченные ПБ
        • Плиты облегченные ПНО
        • Плиты ребристые ПРТм
        • Доборы настилов
        • Полнотелые доборные плиты
      • Перемычки, ригели, прогоны
        Перемычки, ригели, прогоны
        • Перемычки брусковые
        • Перемычки плоские
        • Ригели железобетонные
        • Прогоны железобетонные
      • Лестничные марши, ступени, площадки
        Лестничные марши, ступени, площадки
        • Лестничные марши
        • Лестничные марши с площадками
        • Лестничные площадки
        • Ступени для лестниц бетонные
      • Фундамент, сваи, стеновые блоки
        Фундамент, сваи, стеновые блоки
        • Фундаментные блоки ФБС
        • Ленточный фундамент ФЛ
        • Балки фундамента ФБ
        • Сваи железобетонные
        • Блоки для ручной кладки
        • Щелевые блоки
        • Пенобетонные блоки
        • Газобетонные блоки
        • Пазогребневые перегородки
        • Лист асбестоцементный
        • АЦЭИД 400
        • Цементно-стружечная плита
        • +  ЕЩЕ 2
      • Благоустройство
        Благоустройство
        • Брусчатка тротуарная
        • Квадратная тротуарная плитка
        • Фигурная тротуарная плитка
        • Газонная решетка
        • Плитка с тактильным покрытием
        • Бордюр дорожный
        • Бордюр садовый
        • Цветочницы бетонные
        • Урны бетонные
        • Урны металлические
        • Скамейки бетонные
        • Скамейки металлические
        • Вазы бетонные
        • Архитектурный бетон
        • +  ЕЩЕ 4
      • Заборы, ограждения, столбы
        Заборы, ограждения, столбы
        • Элементы бетонного забора
        • Столбы ограждения бетонные
        • Декоративные столбики
        • Парковочные столбики
        • Гибкие парковочные столбики
        • Бетонное основание
        • Полусферы бетонные
        • Полусферы гранитные
        • Сферы бетонные
        • Стойки опор ЛЭП
        • Приставки ПТ
        • Заборы из профиля
        • Газонные ограждения
        • Ограждение пешеходное
        • Столбики для забора Серия 3-017.3 вып.1
        • +  ЕЩЕ 5
      • Циркуляционные
        Циркуляционные
        • С мокрым ротором
        • С сухим ротором
      • Многоступенчатые
        Многоступенчатые
        • Горизонтальные
      • Погружные
        Погружные
      • Скважинные
        Скважинные
      • Поверхностные
        Поверхностные
      • Насосные станции
        Насосные станции
      • Фекальные
        Фекальные
      • Дренажные
        Дренажные
      • Комплектующие для насосов
        Комплектующие для насосов
      • Огнетушители
        Огнетушители
        • Порошковые (ОП)
        • Углекислотные (ОУ)
        • Воздушно-пенные (ОВП)
        • Воздушно-эмульсионные (ОВЭ)
        • Порошковые специальные (ОПС)
        • Самосрабатывающие
      • Шкафы пожарные
        Шкафы пожарные
      • Рукава пожарные
        Рукава пожарные
      • Стволы пожарные
        Стволы пожарные
      • Головки пожарные
        Головки пожарные
      • Краны пожарные
        Краны пожарные
      • Муфты противопожарные
        Муфты противопожарные
      • Подставки под огнетушители
        Подставки под огнетушители
      • Узлы управления
        Узлы управления
      • Мотопомпы
        Мотопомпы
      • Подставки под гидранты
        Подставки под гидранты
    Сравнение0
    Избранные товары 0
    Корзина 0
    +7(495) 231-40-40
    Заказать звонок
    Сравнение0
    Избранные товары 0
    Корзина 0
    Сравнение0 Избранные товары 0 Корзина 0
    Телефоны
    +7(495) 231-40-40Отдел продаж
    Заказать звонок
    • Каталог
      • Назад
      • Каталог
      • Трубы ПНД
        • Назад
        • Трубы ПНД
        • Трубы ПНД для воды
          • Назад
          • Трубы ПНД для воды
          • Трубы ПНД ПЭ 100 ГОСТ 18599
          • Трубы ПЭ100+ (плюс) / ПЭ100+RC
          • Трубы тип Протект (PS)
          • Трубы тип Мультипайп
          • Обсадные трубы
        • Трубы ПНД для кабеля
          • Назад
          • Трубы ПНД для кабеля
          • Трубы ПНД красные для кабелей
          • Трубы ПНД термостойкие для кабелей
          • Трубы ПНД для электрического кабеля негорючие
          • Трубы ПНД для кабелей термостойкие и негорючие
          • Трубы гофрированные ПНД
        • Трубы ПНД технические
        • Трубы ПНД для газа
      • Чугунные трубы ВЧШГ и фитинги
        • Назад
        • Чугунные трубы ВЧШГ и фитинги
        • Трубы ВЧШГ
          • Назад
          • Трубы ВЧШГ
          • Трубы ВЧШГ чугунные Tyton
          • Трубы ВЧШГ чугунные RJ
          • Трубы ВЧШГ чугунные RJS
          • Манжеты резиновые
        • Фитинги ВЧШГ
          • Назад
          • Фитинги ВЧШГ
          • Двойные раструбы чугунные ДР
          • Колена чугунные ВЧШГ
          • Кресты чугунные ВЧШГ
          • Отводы чугунные ВЧШГ
          • Патрубки чугунные ВЧШГ
          • Переходы чугунные ВЧШГ
          • Подставки чугунные под пожарные гидранты ВЧШГ
          • Тройники чугунные ВЧШГ
      • Трубы канализационные
        • Назад
        • Трубы канализационные
        • Гофрированные трубы для канализации
          • Назад
          • Гофрированные трубы для канализации
          • Трубы Прагма (Pragma)
          • Трубы Корсис
          • Трубы Икапласт
          • Трубы Magnum (Магнум)
          • Трубы Polytron ProKan (Политрон Прокан)
          • Трубы Corex (Корекс)
          • Трубы FD-Plast (ФД-Пласт)
          • Трубы Hydro (Гидро)
          • Трубы Ecopal (Экопал)
          • Трубы Корпласт
          • Трубы спиральновитые СВТ
        • Трубы ПВХ
          • Назад
          • Трубы ПВХ
          • Фитинги ПВХ
      • Фитинги ПНД
        • Назад
        • Фитинги ПНД
        • Электросварные фитинги ПНД
          • Назад
          • Электросварные фитинги ПНД
          • Муфты ПНД электросварные
          • Отводы электросварные ПНД
          • Тройники электросварные ПНД
          • Заглушки электросварные ПНД
          • Переходы латунные ПНД
          • Переходы электросварные ПНД
          • Седелочные отводы электросварные ПНД
          • Краны электросварные ПНД
          • Арматура для врезки
        • Литые фитинги ПНД
          • Назад
          • Литые фитинги ПНД
          • Втулки под фланец удлиненные
          • Тройники литые равнопроходные ПНД
          • Втулки под фланец короткие
          • Заглушки литые пнд
          • Отводы литые
          • Переходы пнд короткие
          • Переходы пнд удлиненные литые
          • Тройники редукционные литые
        • Сварные фитинги ПНД
          • Назад
          • Сварные фитинги ПНД
          • Отводы сварные
          • Крестовины сварные равнопроходные
          • Заглушки сварные
          • Тройники пнд сварные
        • Компрессионные фитинги
          • Назад
          • Компрессионные фитинги
          • Заглушки компрессионные
          • Краны шаровые компрессионные для водопровода
          • Муфты соединительные компрессионные
          • Отводы 90° компрессионные
          • Седелки компрессионные
          • Тройники компрессионные
          • Фланцевые соединения компрессионные
          • Ключи для компрессионных фитингов
        • Муфты защитные для прохода ж/б колодца
        • Фланцы стальные
          • Назад
          • Фланцы стальные
          • Заглушки фланцевые (фланец глухой)
          • Фланцы под втулку
          • Фланцы приварные
          • Фланцы воротниковые
        • НСПС
      • Трубопроводная арматура
        • Назад
        • Трубопроводная арматура
        • Запорная арматура
          • Назад
          • Запорная арматура
          • Задвижки чугунные клиновые
          • Шиберные задвижки
          • Дисковые затворы поворотные
          • Краны шаровые фланцевые
          • Краны полиэтиленовые для газопровода
          • Вентили
          • Клапаны запорные
          • Группы безопасности
          • Штоки для запорной арматуры
          • Фильтры
          • Вантузы воздушные
        • Ремонтно-соединительная арматура
          • Назад
          • Ремонтно-соединительная арматура
          • Муфты ПФРК
          • Муфты ДРК
          • Демонтажные вставки
          • Фланцы расточенные
          • Муфты ремонтные
          • Седелки
          • Хомуты врезные
          • Хомутовые отводы
          • Седловые отводы
          • Седелки чугунные и хомутовые отводы
          • Муфты обжимные соединительные ДРК
          • Муфты соединительные ПФРК
          • Обжимные фланцы ПФРК и фланцевые адаптеры
          • Компенсаторы резиновые (вибровставки)
          • Ремонтные уплотнители РУРС
        • Крепеж для трубопроводов
          • Назад
          • Крепеж для трубопроводов
          • Болты стальные
          • Гайки
          • Прокладки резиновые
          • Уголки стальные нержавеющие
          • Хомуты с резиновой прокладкой
          • Шайбы плоские стальные
          • Шпильки стальные оцинкованные
        • Опоры для трубопроводов
          • Назад
          • Опоры для трубопроводов
          • Кольца диэлектрические Спейсер
          • Опорно-направляющие кольца ОНК
        • Пожарные гидранты
          • Назад
          • Пожарные гидранты
          • Гидранты ВЧШГ ПАО "ТяжПрессмаш"
          • Гидранты стальные
          • Гидранты чугунные
          • VGA
          • VAG
          • JAFAR
          • AVK
          • HAWLE
          • СпецСнаб
        • Электроприводы для запорной арматуры
          • Назад
          • Электроприводы для запорной арматуры
          • Электроприводы ГЗ
          • Электроприводы AUMA
        • Водомерные узлы
          • Назад
          • Водомерные узлы
          • Водомерные вставки
          • Водомерные узлы из ВЧШГ
          • Водомерные узлы по альбому ЦИРВ 02А.00.00.00
      • Трубы дренажные
        • Назад
        • Трубы дренажные
        • Трубы дренажные без фильтра в бухте
        • Трубы дренажные в фильтре из геотекстиля
        • Трубы Перфокор
      • Сварочное оборудование
        • Назад
        • Сварочное оборудование
        • Аппараты для сварки пнд труб
          • Назад
          • Аппараты для сварки пнд труб
          • Стыковые аппараты с механическим приводом
          • Стыковые аппараты с гидравлическим приводом
          • Электромуфтовые сварочные аппараты
          • Аппараты для изготовления фитингов
          • Роликовые опоры для труб
          • Дополнительное оборудование для сварочных аппаратов
          • Запчасти и расходники
      • Трубы в изоляции
        • Назад
        • Трубы в изоляции
        • Трубы ППУ
          • Назад
          • Трубы ППУ
          • Трубы ППУ ПЭ
          • Трубы ППУ ОЦ
          • Комплекты для изоляции стыка трубы ППУ ПЭ
          • Комплекты для изоляции стыка трубы ППУ ОЦ
        • Фитинги ППУ
          • Назад
          • Фитинги ППУ
          • Фитинги ППУ ПЭ
          • Манжеты стенового ввода
          • Отводы стальные для труб ППУ ОЦ
          • Скользящие опоры ППУ
          • Скорлупа ППУ
        • Трубы ВУС
          • Назад
          • Трубы ВУС
          • Трубы ВУС двухслойные
          • Трубы ВУС трехслойные
      • Трубы полипропиленовые
        • Назад
        • Трубы полипропиленовые
        • Трубы полипропиленовые PPR
          • Назад
          • Трубы полипропиленовые PPR
          • Трубы полипропиленовые PPR PN10
          • Трубы полипропиленовые PPR PN20
          • Трубы полипропиленовые армированные стекловолокном PPR PN20
          • Трубы полипропиленовые армированные стекловолокном PPR PN25
        • Фитинги полипропиленовые
          • Назад
          • Фитинги полипропиленовые
          • Муфты полипропиленовые PPR
          • Тройники полипропиленовые PPR
          • Угольники полипропиленовые PPR
          • Краны полипропиленовые PPR
          • Фильтры полипропиленовые PPR
          • Заглушки полипропиленовые PPR
          • Скобы полипропиленовые PPR
          • Компенсаторы полипропиленовые PPR
          • Опоры полипропиленовые PPR
          • Переходники полипропиленовые PPR
          • Разборные соединения полипропиленовые PPR
          • Коллекторы полипропиленовые PPR
          • Втулки (бурт) фланца полипропиленовые PPR
      • Трубы стальные
        • Назад
        • Трубы стальные
        • Трубы ВГП
          • Назад
          • Трубы ВГП
          • Трубы ВГП оцинкованные
        • Трубы электросварные
          • Назад
          • Трубы электросварные
          • Трубы электросварные оцинкованные
        • Трубы бесшовные
        • Фитинги для стальных труб
          • Назад
          • Фитинги для стальных труб
          • Бочата сантехнические
          • Заглушки эллиптические стальные
          • Отводы стальные
          • Переходы стальные
          • Резьбы стальные
          • Сгоны стальные
          • Тройники стальные
      • Пластиковые полимерные колодцы
        • Назад
        • Пластиковые полимерные колодцы
        • Типовые пластиковые колодцы
          • Назад
          • Типовые пластиковые колодцы
          • Типовые канализационные колодцы
          • Типовые водопроводные колодцы
          • Типовые кабельные колодцы
        • Крышки пластикового люка
        • Люки колодца пластиковые канализационные
        • Листы пнд
      • Очистные сооружения ЛОС, КНС
        • Назад
        • Очистные сооружения ЛОС, КНС
        • Канализационные насосные станции​
        • Локальные очистные сооружения​
      • ЖБИ изделия
        • Назад
        • ЖБИ изделия
        • Бетонные кольца
        • Колодцы унифицированные
        • Днища колодцев
        • Крышки колодцев железобетонные
        • Кабельные колодцы
        • Лестницы и скобы
        • Трубы асбестоцементные
          • Назад
          • Трубы асбестоцементные
          • Трубы асбестоцементные безнапорные
          • Трубы асбестоцементные напорные
        • Трубы железобетонные
          • Назад
          • Трубы железобетонные
          • Трубы безнапорные раструбные
          • Трубы коллектора ТПФ
          • Трубы фальцевые
        • Люки канализационные
          • Назад
          • Люки канализационные
          • Дождеприемники
          • Комплектующие для чугунных люков
          • Люки канализационные полимерные
          • Люки чугунные
        • Опорные плиты разгрузочные
        • Стремянки водопроводных колодцев
        • Бордюрный камень
        • Железобетонные коллекторы
          • Назад
          • Железобетонные коллекторы
          • Балки камер
          • Днища коллекторов
          • Доборные балки
          • Коллекторные балки
          • Опорные подушки
          • Плиты перекрытий коллекторов
          • Стеновые блоки коллекторных панелей
          • Стеновые блоки коллекторов
          • Тепловые камеры
          • Элементы коллекторов
        • Лотки железобетонные
          • Назад
          • Лотки железобетонные
          • Автодорожные лотки
          • Водоотводные лотки
          • Дождевые лотки
          • Дренажные лотки
          • Лотки теплотрасс
          • Непроходные каналы
          • Плиты перекрытия теплотрасс
        • ЖБИ колодцы
          • Назад
          • ЖБИ колодцы
          • Кольца доборные
          • Колодезные кольца
          • Колодезные кольца с четвертью
          • Опорные кольца
          • Сегменты и вставки
          • Адаптационные кольца к ОУЭ-600
          • Опорные плиты
          • Крышки колодцев
          • Крышки колодцев с четвертью
          • Кольца колодезные с крышкой
          • Кольца колодезные с днищем
          • Кольца колодезные с днищем с четвертью
          • Днища колодцев
          • Колодцы сборные унифицированные
          • Колодцы кабельной связи ККС
          • Комплектующие для колодцев связи
        • Люки, решетки, лестницы
          • Назад
          • Люки, решетки, лестницы
          • Легкие чугунные люки
          • Средние чугунные люки
          • Люки чугунные тип Т
          • Люки чугунные тип ТМР
          • Магистральные чугунные люки ТМ
          • Опорно-Укрывные элементы
          • Квадратные люки
          • Аэродромные люки
          • Телефонные чугунные люки
          • Полимерно-композитные люки
          • Крышки чугунные для люков
          • Корпуса чугунные для люков
          • Дождеприемники
          • Запорные крышки
          • Лестницы для колодцев
          • Скобы для колодцев
          • Люки железобетонные
          • Уплотнитель для люков
          • Решетки сливные
          • Ковер газовый
        • Коллекторы
          • Назад
          • Коллекторы
          • Плиты покрытия коллекторов КП, ДПО
          • Плиты перекрытия камер ВП
          • Плиты полнотелые канальные
          • Доборные балки
          • Коллекторные балки
          • Стеновые блоки и панели коллекторов
          • Днища коллекторов
          • Коллекторы для труб РК
          • Непроходные каналы
          • Колонны и фундамент стаканного типа
        • Элементы теплотрасс
          • Назад
          • Элементы теплотрасс
          • Лотки и покрытия теплотрасс
          • Лотки ЛК и плиты перекрытия ПТ
          • Лотки кабельные УБК
          • Плиты перекрытия камер каналов ПТО ПТУ
          • Плиты теплотрасс с отверстиями
          • Балки узлов трасс каналов
          • Плиты днища каналов ПД ПДУ
          • Опорные подушки теплотрасс
          • Подкладные плиты
          • Тепловые камеры
        • Трубы, звенья, порталы, откосы
          • Назад
          • Трубы, звенья, порталы, откосы
          • Трубы безнапорные раструбные
          • Трубы напорные раструбные
          • Трубы фальцевые
          • Трубы микротонельные
          • Трубы коллектора ТПФэ
          • Асбестоцементные трубы, муфты, заглушки
          • Звенья круглые
          • Звенья круглые с плоским опиранием
          • Звенья прямоугольные
          • Лекальные блоки под трубы
          • Портальные стенки
          • Откосные стенки
          • Плиты фундаментные под трубы
        • Дорожные плиты, водоотводные лотки
          • Назад
          • Дорожные плиты, водоотводные лотки
          • Дорожные плиты
          • Аэродромные плиты
          • Плиты укреплений
          • Дренажные лотки
          • Лотки водосточные Super с решеткой
          • Лотки автодорожные
          • Лотки водоотводные
          • Лотки дождевые
        • Плиты перекрытия
          • Назад
          • Плиты перекрытия
          • Плиты пустотные ПК
          • Плиты пустотные ПБ
          • Плиты облегченные ПБ
          • Плиты облегченные ПНО
          • Плиты ребристые ПРТм
          • Доборы настилов
          • Полнотелые доборные плиты
        • Перемычки, ригели, прогоны
          • Назад
          • Перемычки, ригели, прогоны
          • Перемычки брусковые
          • Перемычки плоские
          • Ригели железобетонные
          • Прогоны железобетонные
        • Лестничные марши, ступени, площадки
          • Назад
          • Лестничные марши, ступени, площадки
          • Лестничные марши
          • Лестничные марши с площадками
          • Лестничные площадки
          • Ступени для лестниц бетонные
        • Фундамент, сваи, стеновые блоки
          • Назад
          • Фундамент, сваи, стеновые блоки
          • Фундаментные блоки ФБС
          • Ленточный фундамент ФЛ
          • Балки фундамента ФБ
          • Сваи железобетонные
          • Блоки для ручной кладки
          • Щелевые блоки
          • Пенобетонные блоки
          • Газобетонные блоки
          • Пазогребневые перегородки
          • Лист асбестоцементный
          • АЦЭИД 400
          • Цементно-стружечная плита
        • Благоустройство
          • Назад
          • Благоустройство
          • Брусчатка тротуарная
          • Квадратная тротуарная плитка
          • Фигурная тротуарная плитка
          • Газонная решетка
          • Плитка с тактильным покрытием
          • Бордюр дорожный
          • Бордюр садовый
          • Цветочницы бетонные
          • Урны бетонные
          • Урны металлические
          • Скамейки бетонные
          • Скамейки металлические
          • Вазы бетонные
          • Архитектурный бетон
        • Заборы, ограждения, столбы
          • Назад
          • Заборы, ограждения, столбы
          • Элементы бетонного забора
          • Столбы ограждения бетонные
          • Декоративные столбики
          • Парковочные столбики
          • Гибкие парковочные столбики
          • Бетонное основание
          • Полусферы бетонные
          • Полусферы гранитные
          • Сферы бетонные
          • Стойки опор ЛЭП
          • Приставки ПТ
          • Заборы из профиля
          • Газонные ограждения
          • Ограждение пешеходное
          • Столбики для забора Серия 3-017.3 вып.1
      • Насосы
        • Назад
        • Насосы
        • Циркуляционные
          • Назад
          • Циркуляционные
          • С мокрым ротором
          • С сухим ротором
        • Многоступенчатые
          • Назад
          • Многоступенчатые
          • Горизонтальные
        • Погружные
        • Скважинные
        • Поверхностные
        • Насосные станции
        • Фекальные
        • Дренажные
        • Комплектующие для насосов
      • Пожарное оборудование
        • Назад
        • Пожарное оборудование
        • Огнетушители
          • Назад
          • Огнетушители
          • Порошковые (ОП)
          • Углекислотные (ОУ)
          • Воздушно-пенные (ОВП)
          • Воздушно-эмульсионные (ОВЭ)
          • Порошковые специальные (ОПС)
          • Самосрабатывающие
        • Шкафы пожарные
        • Рукава пожарные
        • Стволы пожарные
        • Головки пожарные
        • Краны пожарные
        • Муфты противопожарные
        • Подставки под огнетушители
        • Узлы управления
        • Мотопомпы
        • Подставки под гидранты
    • Акции
    • Услуги
    • Блог
    • Бренды
    • Как купить
      • Назад
      • Как купить
      • Условия оплаты
      • Условия доставки
      • Гарантия на товар
      • Вопросы и ответы
    • Компания
      • Назад
      • Компания
      • О компании
      • Отзывы
      • Контакты
      • Вакансии
      • Новости
      • Реквизиты
      • Наш офис
      • Сертификаты
    • Галерея
    • Контакты
    • Личный кабинет
    • Корзина0
    • Избранные товары0
    • Сравнение товаров0
    • +7(495) 231-40-40Отдел продаж
    Контактная информация
    Сергиево-Посадский г. о., г. Хотьково, ул. Заводская, д. 3, стр. 1, офис 39
    zakaz@hotoks-pkf.ru
    • Вконтакте
    • WhatsApp
    • Яндекс.Дзен
    Главная
    —
    Каталог
    —
    Трубопроводная арматура
    Трубы ПНДЧугунные трубы ВЧШГ и фитингиТрубы канализационныеФитинги ПНДТрубы дренажныеСварочное оборудованиеТрубы в изоляцииТрубы полипропиленовыеТрубы стальныеПластиковые полимерные колодцыОчистные сооружения ЛОС, КНСЖБИ изделияНасосыПожарное оборудование
    —
    Запорная арматура
    Водомерные узлыЭлектроприводы для запорной арматурыПожарные гидрантыОпоры для трубопроводовКрепеж для трубопроводовРемонтно-соединительная арматура
    —
    Краны шаровые фланцевые
    ВентилиВантузы воздушныеФильтрыШтоки для запорной арматурыГруппы безопасностиКлапаны запорныеКраны полиэтиленовые для газопроводаДисковые затворы поворотныеШиберные задвижкиЗадвижки чугунные клиновые
    —
    Краны шаровые Стальные
    Краны шаровые Полиэтиленовые (ПЭ)Краны шаровые ЧугунныеКраны шаровые НержавеющиеКраны шаровые ЛатунныеКраны шаровые Бронзовые
    —Кран шаровой укороченный Маршал 11с67п СУФ.00.1 DN 200/150 PN 16 стандартнопроходной фланцевый

    Кран шаровой укороченный Маршал 11с67п СУФ.00.1 DN 200/150 PN 16 стандартнопроходной фланцевый

    Кран шаровой укороченный Маршал 11с67п СУФ.00.1 DN 200/150 PN 16 стандартнопроходной фланцевый
    Кран шаровой укороченный Маршал 11с67п СУФ.00.1 DN 200/150 PN 16 стандартнопроходной фланцевый
    Кран шаровой укороченный Маршал 11с67п СУФ.00.1 DN 200/150 PN 16 стандартнопроходной фланцевый
    Кран шаровой укороченный Маршал 11с67п СУФ.00.1 DN 200/150 PN 16 стандартнопроходной фланцевый
    Артикул: PKF24383
    Маршал
    43 863 ₽/шт
    Варианты цен
    43 863 ₽/шт
    Подробности
    Товар в наличии
    Нашли дешевле?
    В корзинуВ корзине
    Купить в 1 клик
    Самовывоз сегодня - бесплатно
    Доставка завтра - 390 ₽
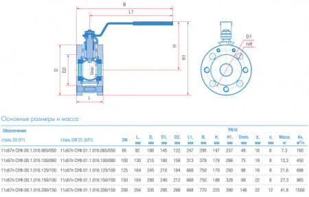
    Характеристики
    Номинальное рабочее давление PN, бар
    —
    PN16
    Материал корпуса
    —
    Углеродистая сталь
    Производитель
    —
    Маршал
    Диаметр
    —
    200
    Страна производителя
    —
    Россия
    Способ управления
    —
    Рукоятка
    Все характеристики
    Оплата и доставка
    Компания ПКФ ХОТОКС осуществляет доставку по всей России путём грузоперевозки собственным и наёмным автотранспортом. Помимо этого мы активно сотрудничаем с транспортными компаниями такими как: Деловые Линии и СДЭК. Доставку осуществляем на следующий день после оплаты, либо по согласованию с менеджером в день оплаты.
    Информация о товарах на сайте интернет-магазина ПКФ-Хотокс (цены, фотографии, характеристики) носит ознакомительный характер и не является публичной офертой определенной пунктом 2 статьи 437 Гражданского кодекса РФ.
    • Характеристики
    • Описание
    • Отзывы
    • Оплата
    • Доставка
    Номинальное рабочее давление PN, бар
    PN16
    Материал корпуса
    Углеродистая сталь
    Производитель
    Маршал
    Диаметр
    200
    Страна производителя
    Россия
    Способ управления
    Рукоятка
    Класс герметичности
    А
    Строительная длина, L
    204 мм
    Габариты ДхШхВ, мм
    770х335х390
    Транспортировочный объём
    0,1006 м3
    Модель
    11с67п СУФ.00.1
    Исполнение
    Сварной разборный
    Рабочая среда
    Теплосетевая вода, нефтепродукты и другие неагрессивные жидкие среды, нейтральные к материалам деталей крана
    Мин. рабочая температура
    -40°С
    Макс. рабочая температура
    +200°С
    Климатическое исполнение
    У1
    Срок службы
    30 лет
    Материал шпинделя
    Нержавеющая сталь 20Х13
    Тип прохода крана
    Стандартнопроходный
    Пропускная способность
    1500 м3/ч
    Вес, кг
    41.8 кг
    Документы
    Технический паспорт СУФ.00.1 Неполный 3 мб
    Отзывы
    Нет оценок
    Оставить отзыв
    Загрузка отзывов...

    Банковский перевод с расчётного счёта организации.

    Для постоянных клиентов предоставляется отсрочка платежа при условии предоставления комплекта документов.

    Для формирования коммерческого предложения/счета на оплату, Вам необходимо прислать заявку с реквизитами и контактной информацией ответственного лица на почту info@hotoks-pkf.ru

    Компания ПКФ ХОТОКС осуществляет доставку по всей России путём грузоперевозки собственным и наёмным автотранспортом. Помимо этого мы активно сотрудничаем с транспортными компаниями такими как: Деловые Линии и СДЭК. Доставку осуществляем на следующий день после оплаты, либо по согласованию с менеджером в день оплаты.

    Подробнее о доставке

    Вам также может понравиться
    Все товары категории
    Все товары бренда Маршал

    Нужна консультация?

    Наши специалисты ответят на любой интересующий вопрос
    Задать вопрос
    О компании
    Услуги
    Как купить
    Производители
    Контакты
    • Вконтакте
    • WhatsApp
    • Яндекс.Дзен
    +7(495) 231-40-40
    Заказать звонок
    zakaz@hotoks-pkf.ru
    Сергиево-Посадский г. о., г. Хотьково, ул. Заводская, д. 3, стр. 1, офис 39
    Политика конфиденциальности
    2026 © Производственно-коммерческая фирма ХОТОКС
    ООО «ПКФ ХОТОКС» | ИНН 5042156200 | ОГРН 1215000038637