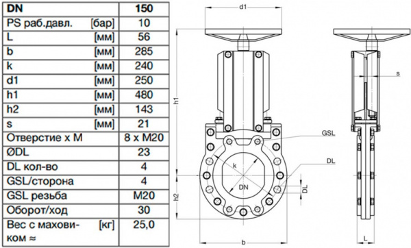
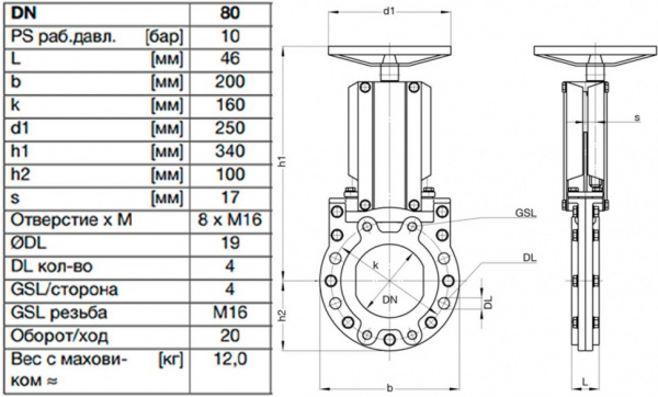
По запросу
Варианты цен
По запросу
Под заказ
Наши менеджеры обязательно свяжутся с вами и уточнят условия заказа



























